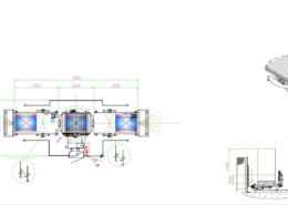
Bedienungsanleitung mobiler Stretchroboter Siat BeeWrap:
Hier gehts zur Bedienungsanleitung per PDF.
Kostenlose Empfehlung in 60 Sekunden. Jetzt Empfehlung anfordern →
Sie nutzen diese Maschine? Wir helfen Ihnen, Folienverbrauch und Kosten zu senken.
Wir sagen Ihnen kostenlos und unverbindlich, welche Maschinenstretchfolie und welche Einstellungen optimal zu Ihrer Anwendung passen. Für Industrie, Logistik und Produktionsbetriebe.
- Weniger Folienverbrauch
- Weniger Transportschäden
- Beratung vom Profi
Beratung durch Verpackungsprofis mit über 20 Jahre Praxiserfahrung.
Antwort innerhalb von 24 Stunden • Kostenlos & unverbindlich • Keine Werbung
Bedienungsanleitung herunterladen
Hier finden Sie die relevanten Unterlagen zur SIAT Beewrap Stretchroboter. Wenn Sie Folienverbrauch oder Wicklung optimieren möchten: kostenlose Empfehlung anfordern .
Möchten Sie sicherstellen, dass Sie die richtige Folie für diese Maschine einsetzen?
Wir prüfen kostenlos und unverbindlich Ihre Anwendung (Palette/Produkt, Gewicht, Wickeltechnik, Verbrauch) und empfehlen Ihnen die passende Maschinenstretchfolie. Für Industrie, Logistik und Produktionsbetriebe.
- Bis zu deutlich weniger Folienverbrauch (je nach Anwendung)
- Stabilere Paletten & weniger Transportschäden
- Maschine & Folie aus einer Hand
Kein Mindestbestellwert • Fracht frei Haus • Beratung durch Verpackungsprofis
Antwort innerhalb von 24 Stunden • Kostenlos & unverbindlich • Keine Werbung
Sprechen Sie uns an.
Ihr Team vom Stretchfolienprofi












